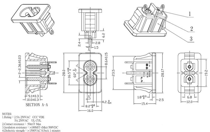
額定:5A 250VAC
接觸電阻:50m Ω Max
絕緣(yuán)電阻:100M Ω (Min) 500VDC
介電(diàn)強度:2000VAC 0.5mA 1 minutes
插座壽命:5000次
專業從事各類型電源開關的設計/研發/製造(zào)生產
首頁 關於六鈞 產品展示 設備展示 應用案例 榮譽資質 新聞資訊 在線留言 聯係我們
地址:廣東(dōng)省東莞市石碣鎮石碣科技東路(lù)198號
聯係人:18100233994 /勞先生
電話:0769-86633010
傳真:0769-86321157
郵箱:sale58@legion.com.hk
版權(quán)所有 Copyright 2022 東(dōng)莞市(shì)六鈞電子五金有限公(gōng)司 All rights reserved 粵ICP備2022117152號